年明け早々再発。
年末から正月にかけて電源を入れっぱなしにしていた。
変なノイズが出ているなと思ったが、おさまるので放置していた。
一度電源を切ったら表示は出るが音すら出ない、バッテリー電圧低下のBマークが出ていた。
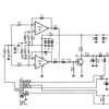
修理した記憶があるので、自分のブログを検索。
これだった。
年明け早々再発。
年末から正月にかけて電源を入れっぱなしにしていた。
変なノイズが出ているなと思ったが、おさまるので放置していた。
一度電源を切ったら表示は出るが音すら出ない、バッテリー電圧低下のBマークが出ていた。
修理した記憶があるので、自分のブログを検索。
これだった。